Gallery
See comment
Chipped finish
[0 Comment]
See from data sheet DT26.10 - Glossary of glass container visual critical defects for cosmetics & perfumes, § 4.7.

Sectors :
  ̶  

Tags :
  ̶  
  ̶  
  ̶  
  ̶  
  ̶  
  ̶  
  ̶  
See comment
Chipped finish
[0 Comment]
See from data sheet DT26.10 - Glossary of glass container visual critical defects for cosmetics & perfumes, § 4.7.

Sectors :
  ̶  

Tags :
  ̶  
  ̶  
  ̶  
  ̶  
  ̶  
  ̶  
  ̶  
See comment
Chipped skirt bead
[0 Comment]

Sectors :
  ̶  

Tags :
  ̶  
  ̶  
See comment
Chipped skirt bead
[0 Comment]

Sectors :
  ̶  

Tags :
  ̶  
  ̶  
See comment
Chipped skirt bead
[0 Comment]

Sectors :
  ̶  

Tags :
  ̶  
  ̶  
See comment
Chipped skirt bead
[0 Comment]

Sectors :
  ̶  

Tags :
  ̶  
  ̶  
See comment
Choked bore
[0 Comment]
See from data sheet DT26.00 - Glossary of glass container visual critical defects, § 3.2.1

Sectors :
  ̶  

Tags :
  ̶  
  ̶  
  ̶  
See comment
Choked bore
[0 Comment]
See from data sheet DT26.00 - Glossary of glass container visual critical defects, § 3.2.1

Sectors :
  ̶  

Tags :
  ̶  
  ̶  
  ̶  
See comment
Compression equipment
[0 Comment]

Sectors :
  ̶  

Tags :
  ̶  
See comment
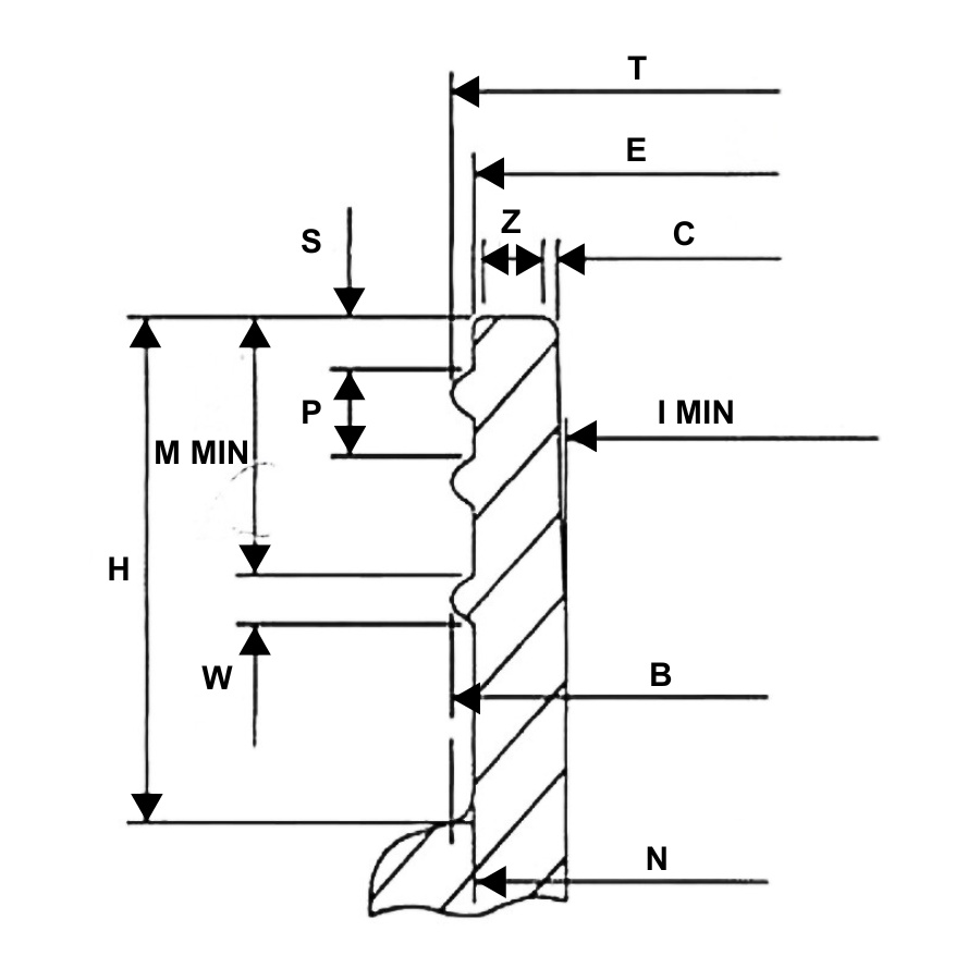
Concealed bead finish dimensions
[0 Comment]

Sectors :

Tags :

This site uses cookies that are strictly necessary for its proper functioning, as well as – with your consent – cookies for audience measurement. You can accept, refuse, or customise their use at any time. The site remains accessible even if you choose to refuse them.



Accept  Learn more and manage cookies  Refuse